中国石油公布国际专利申请:“一种油浆预处理的方法”
66496
2026月03月08日
证券之星消息,根据企查查数据显示中国石油(601857)公布了一项国际专利申请,专利名为“一种油浆预处理的方法”,专利申请号为PCT/CN2024/143410,国际公布日为2026年3月5日。

图片来源于网络,如有侵权,请联系删除
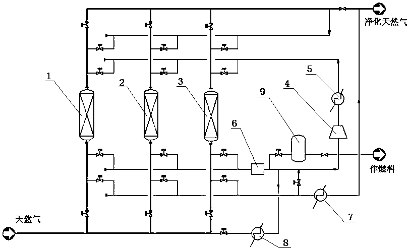
专利详情如下:

图片来源于网络,如有侵权,请联系删除
图片来源:世界知识产权组织(WIPO)

图片来源于网络,如有侵权,请联系删除
今年以来中国石油已公布的国际专利申请22个,较去年同期减少了43.59%。结合公司2025年中报财务数据,2025上半年公司在研发方面投入了98.99亿元,同比增2.51%。
数据来源:企查查
以上内容为证券之星据公开信息整理,由AI算法生成(网信算备310104345710301240019号),不构成投资建议。