安徽合力公布国际专利申请:“基于多执行状态数据收集的液压系统及控制方法”
54529
2025月08月09日
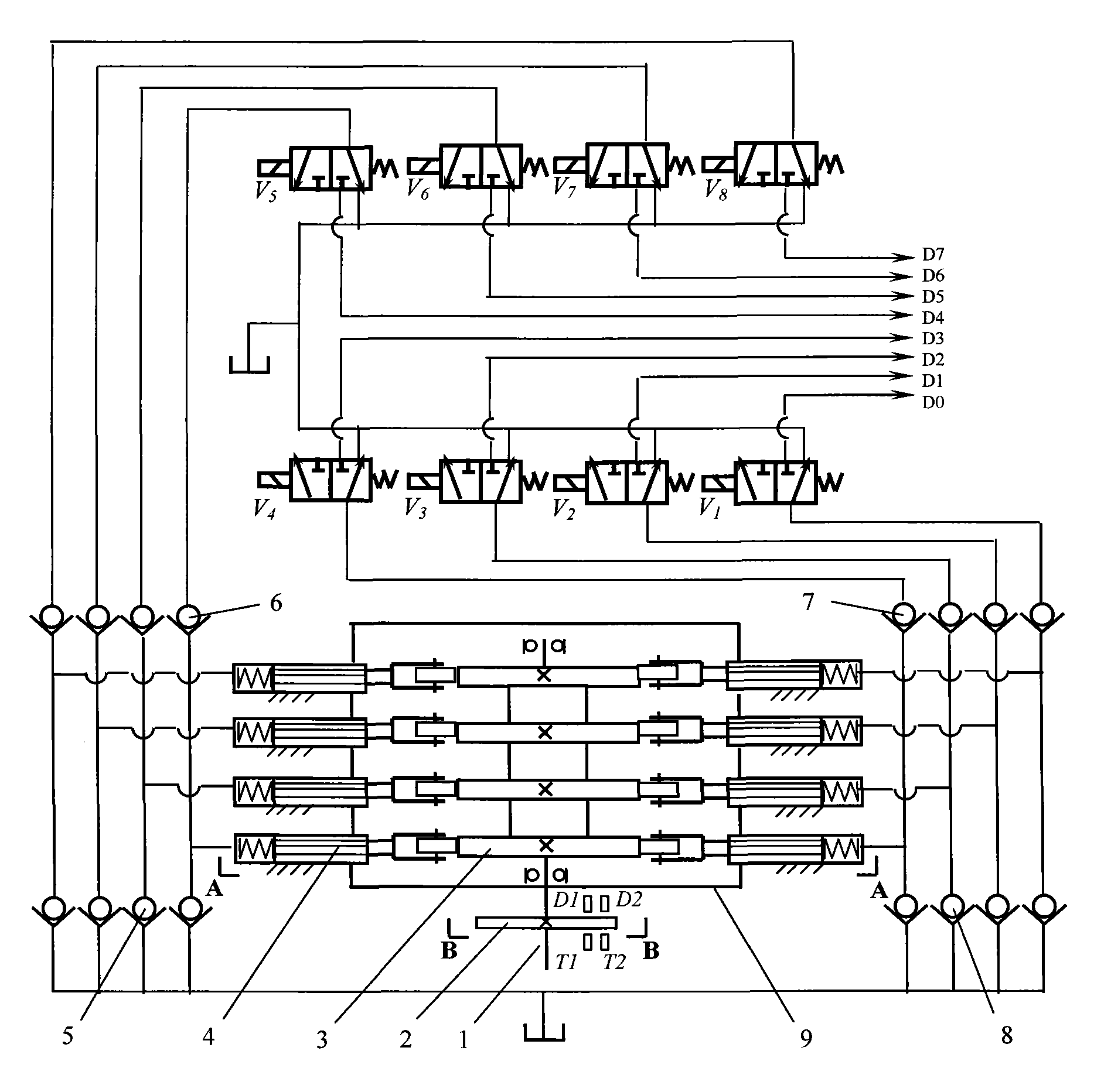
证券之星消息,根据企查查数据显示安徽合力(600761)公布了一项国际专利申请,专利名为“基于多执行状态数据收集的液压系统及控制方法”,专利申请号为PCT/CN2024/130178,国际公布日为2025年8月7日。

图片来源于网络,如有侵权,请联系删除
专利详情如下:

图片来源于网络,如有侵权,请联系删除
图片来源:世界知识产权组织(WIPO)

图片来源于网络,如有侵权,请联系删除
今年以来安徽合力已公布的国际专利申请6个,较去年同期增加了100%。结合公司2024年年报财务数据,2024年公司在研发方面投入了10.86亿元,同比增14.02%。
数据来源:企查查
以上内容为证券之星据公开信息整理,由AI算法生成(网信算备310104345710301240019号),不构成投资建议。