电光科技获得实用新型专利授权:“一种变频器保护装置的谐波抑制电路”
69242
2025月10月21日
证券之星消息,根据天眼查APP数据显示电光科技(002730)新获得一项实用新型专利授权,专利名为“一种变频器保护装置的谐波抑制电路”,专利申请号为CN202422893236.4,授权日为2025年10月21日。

图片来源于网络,如有侵权,请联系删除
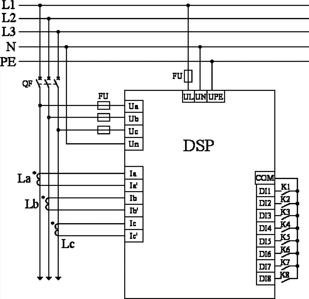
专利摘要:本申请涉及变频器保护装置的领域,尤其是涉及一种变频器保护装置的谐波抑制电路,其包括信号采集电路,与交流电网电连接以接受供电,输出端作为供电端,还用于采集电流、电压,得到采集信号并输出;补偿模块,接收所述采集信号,并进行计算后得到谐波抑制信号并输出;变频器,所述变频器包括逆变模组,所述变频器接收所述信号采集电路输出端的供电,所述逆变模组接收所述谐波抑制信号以进行谐波补偿。本申请具有抑制谐波的效果。

图片来源于网络,如有侵权,请联系删除
今年以来电光科技新获得专利授权12个,较去年同期增加了300%。结合公司2025年中报财务数据,今年上半年公司在研发方面投入了3368.42万元,同比减0.83%。

图片来源于网络,如有侵权,请联系删除
通过天眼查大数据分析,电光防爆科技股份有限公司共对外投资了20家企业,参与招投标项目3223次;财产线索方面有商标信息16条,专利信息192条,著作权信息30条;此外企业还拥有行政许可11个。
数据来源:天眼查APP
以上内容为证券之星据公开信息整理,由AI算法生成(网信算备310104345710301240019号),不构成投资建议。